| Изменить корзину Минимальная сумма заказа 150руб |
Сумма
|
Добро пожаловать в TIXER.RU, Войти или Зарегистрироваться
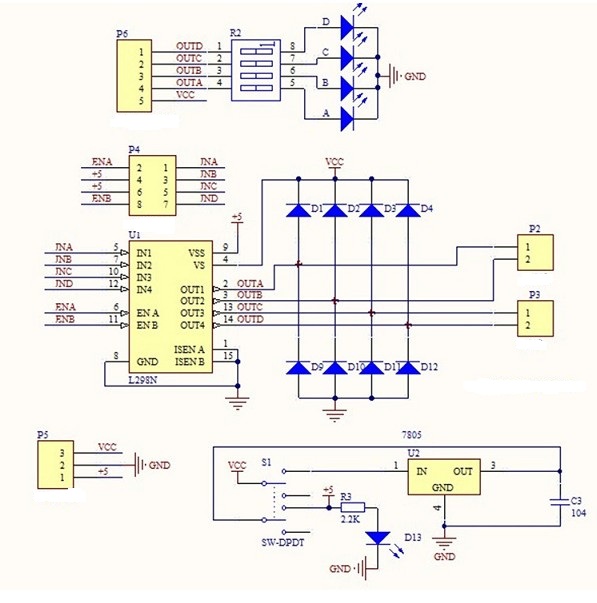
Контроллер позволяет управлять одним шаговым двигателем или двумя коллекторными двигателями постоянного тока.
Для подключения двигателей постоянного тока предусмотрены клеммники
- напряжение питания управляемой части (постоянный ток): 5-35В
- питание внешней логики (Vss): 5-7В
- входное напряжение логической части (Vd): 6-12В
- рабочий выходной ток на канал двигателя: 2А
- максимальный пиковый ток: 3А
- максимальная потребляемая мощность: 20 Вт
- возможность использования ШИМ
Контроллер двигателей на базе L298 Тип1
Характеристики Контроллер двигателей на базе L298 Тип1
| Артикул | 0302049023 |
Описание
Для подключения двигателей постоянного тока предусмотрены клеммники
- напряжение питания управляемой части (постоянный ток): 5-35В
- питание внешней логики (Vss): 5-7В
- входное напряжение логической части (Vd): 6-12В
- рабочий выходной ток на канал двигателя: 2А
- максимальный пиковый ток: 3А
- максимальная потребляемая мощность: 20 Вт
- возможность использования ШИМ
Дополнительная информация
VCC - внешнее питание мотров
GND - земля (общая)
+5 - питание логики
OUTA и OUTB - выход первого мотора
OUTC и OUTD - выход первого мотора
IN1, IN2, IN3, IN4 - входы для управления моторами
S1 - переключатель питания логики. В нажатом состоянии питание логики осуществляется от внутреннего преобразователя модуля, в отжатом состоянии питание осуществляется от внешнего истоника.
ENA и ENB - перемычки для включения выводов для моторов. Для подключения двух моторов обе перемычки должны быть установлены.