| Изменить корзину Минимальная сумма заказа 150руб |
Сумма
|
Добро пожаловать в TIXER.RU, Войти или Зарегистрироваться
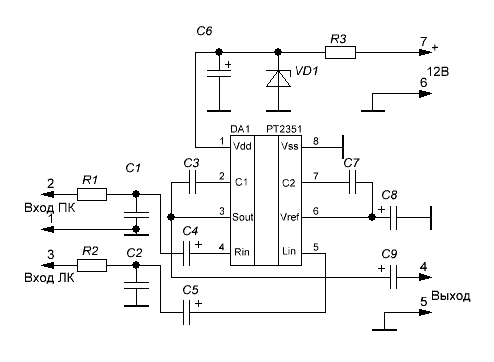
Набор "ФНЧ для сабвуфера", позволит собрать, как следует из его название, фильтр низких частот для сабвуфера в составе домашнего кинотеатра. Его так же можно использовать для автомобильных или портативных сабвуферов. В комплекте набора компоненты, которые позволят выбрать вам две разных частоты среза.
Частота среза, Гц: 0(80)
Крутизна спада, дб/окт.: 18
Коэффициент нелинейных искажений, %: 0,1
Отношение сигнал/шум, дБ (невзвешенное): -82
Коэффициент усиления, дБ: 10
Максимальное выходное напряжение, В: 2,8
Входное сопротивление, кОм: 100
Напряжение питания, В: 12
Потребляемый ток, мА: 10
Подробное описание на сайте http://radiokotstruktor.ru/catalog/good/6
РК-А03, ФНЧ для сабвуфера
Характеристики РК-А03, ФНЧ для сабвуфера
| Артикул | 7700100102 |
Описание
Частота среза, Гц: 0(80)
Крутизна спада, дб/окт.: 18
Коэффициент нелинейных искажений, %: 0,1
Отношение сигнал/шум, дБ (невзвешенное): -82
Коэффициент усиления, дБ: 10
Максимальное выходное напряжение, В: 2,8
Входное сопротивление, кОм: 100
Напряжение питания, В: 12
Потребляемый ток, мА: 10
Подробное описание на сайте http://radiokotstruktor.ru/catalog/good/6